詳細信息
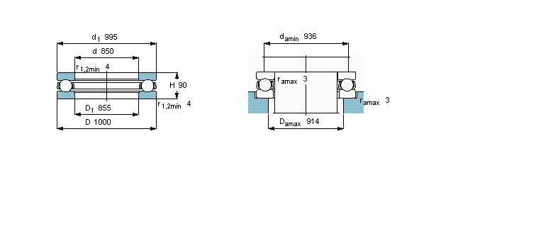
| 推力球軸承, 單向 | |||||||||||
| 公差 , 參見文字 | |||||||||||
| 推薦配合 | |||||||||||
| 軸和軸承座公差 | |||||||||||
|
|
|||||||||||
| 主要數據尺寸 | 基本負荷額定值 | 疲勞負荷限值 | 最小負荷系數 | 額定速度 | 體積 | 型號 | |||||
| 動態(tài) | 靜態(tài) | 參照速度 | 限制速度 | ||||||||
| d | D | H | C | C0 | Pu | A | |||||
|
|
|||||||||||
| mm | kN | kN | - | r/min | kg | - | |||||
|
|
|||||||||||
| 850 | 1000 | 90 | 761 | 6800 | 83 | 240 | 380 | 560 | 115 | 591/850 M | |

