詳細信息
| 球面滾子推力軸承, 球面滾子推力軸承 | |||||||||||
| 公差 , 參見文字 | |||||||||||
| 推薦配合 | |||||||||||
| 軸和軸承座公差 | |||||||||||
|
|
|||||||||||
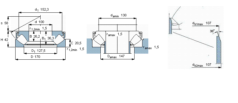
| 主要數據尺寸 | 尺寸 [英寸] | 疲勞負荷限值 | 最小負荷系數 | 額定速度 | 體積 | 型號 | |||||
| 動態(tài) | 靜態(tài) | 參照速度 | 限制速度 | ||||||||
| d | D | H | C | C0 | Pu | * - SKF Explorer 軸承 | |||||
|
|
|||||||||||
| mm | kN | kN | - | r/min | kg | - | |||||
|
|
|||||||||||
| 100 | 170 | 42 | 465 | 1290 | 156 | 0,16 | 2200 | 3600 | 3,65 | 29320 E * | |

